Take control of your LS engine with Terminator X Max! Don't settle for a junkyard ECU with a cumbersome tuning interface when you can have complete control of your engine, self-learning fuel strategies and the proven, race-winning technology of Holley EFI at a budget-friendly price!
Terminator X Max features real-time fuel learn, high impedance injector drivers, an integrated 1bar MAP sensor, and 4 programmable inputs and outputs. The inputs and outputs are ideal for electric fans, boost control solenoids, progressive nitrous control, and much more. Part number 550-916 also has 4L60E or 4L80E Transmission control. Terminator X Max comes fully loaded with base maps for common LS engine combinations to get you out of the garage and on the road/track fast. The 3.5" touch screen LCD handheld contains an easy to use calibration wizard as well as tuning and gauge display functions. Also included is Holley EFI's industry-leading, easy to use software suite that allows full laptop access for advanced users. Whether you are building a budget beater or a boosted race car, Terminator X MAX has the features and technology you need at a price that won't break the bank!
Features:
- For GM LS1/LS6 engines with 24x crank reluctor with EV6 injectors and 4L60E/4L80E transmissions
- Real-Time fuel map learn, takes the guess work out of tuning your base fuel table.
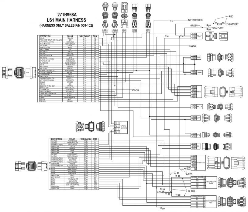
- High Impedance Injector Drivers will safely power most Stock LS injectors, and Holley EFI Injectors. Injector support chart provided in the instructions (Will not control Low Impedance Injectors)
- All of the new Terminator X Max systems utilize the Bosch LSU 4.9 wideband to relay AFR information to the ECU for accurate reading and precise tuning control.
- On-Board 1bar MAP sensor, is perfect for N/A or Nitrous engine combos. If your combination requires a 2+Bar, we recommend GM 12592525, and our adapter part number 558-416.
- MAP Sensor vacuum hose adapters (1/8th – ¼ and 3/16ths)
- 4 Inputs – 12v, Ground, 5v, and Frequency, for things such as additional pressure sensors, or activation triggers for nitrous activation, or a trans brake
- 4 Outputs – Ground, PWM - , for accessories such as; fans, boost control, nitrous control, IAC Kit, and More
- Boost Control – Boost vs Time, Boost vs Gear, Boost vs RPM, Boost vs Speed, Boost Safeties
- Nitrous Control – Single Channel of Wet or Dry, Progressive or Non-Progressive, Rich/Lean Safeties, and target Closed Loop AFR
- Advanced Tables – 4x 1D Tables, 1x 1D per Gear Table, 4x 2D Tables, 1x 2D per Gear Table, can be used for any custom tables you can dream up, such as Flex Fuel Sensor Offset Table, or a custom fuel or oil pressure safety!
- On-Board Diagnostic LEDS for: ECU Power – Engine Run – Wideband Status – TPS Calibration – Crank Signal –Cam Signal. Allow you to identify any Critical engine issues at a glance
- The included 3.5" Touchscreen Handheld contains a calibration wizard, that allows you to quickly build a base tune for any LS engine. Additionally the handheld provides internal data-logging and a fully customizable gauge display.
- The compact ECU size allows you to mount it virtually anywhere. Remember, diagnostic LEDS must face up!
- Plug and play compatible with more Holley EFI accessories such as; analog style gauges, shift lights, various modules, and coming soon, 12.3" digital dash support!
- Free EFI Tuning Software for complete control of your Terminator X power plant
Not recommended for 4x4 applications with electronic transfer cases.
Installation Notes:
Not recommended for 4x4 applications with electronic transfer cases. Not compatible with 4L6X transmissions from model year 1995 or before due to year-by-year changes in converter lockup and downshift strategy.
About Holley Performance Products
Holley has been the undisputed leader in fuel systems for over 100 years. Holley carburetors powered every Monster Energy NASCAR Cup team and nearly every NHRA Pro-Stock champion for four decades. Now, Holley EFI products power these cars and are dominating the performance world. Holley products for GM's popular LS engine are dominating the LS scene as well. Holley's products also include performance fuel pumps, intake manifolds and engine dress-up products for street performance, race and marine applications. As a single solution or partnered with products from other Holley companies we can give you the edge you need over the competition!
